J. Mike Rollins (Sparky) [rollins@wfu.edu]
  CISSP, GIAC GPEN
Simulator: Timer Relay New
Mike is on
  LinkedIn
  FaceBook
BackYardGreen.Net
HappyPiDay.com
Green Cycle Design Group
CamoTruck.Net
  Resume  
  My Stuff  
  Art  
  My Truck  
  People  
Electronics
   Simulator: Zener
   Simulator: Timer Relay New
   AC Inverter
   Taz (My EV)
   Ethernet
      Step 1
      Step 2
      Step 3
   PIC Switch
   LM3524 Motor Control
   Microcontroller
   PWM and MOSFET
   SMP with 317
   Power Supply
   Function Gen
   Charge Controller
   IR Audio
   PWM with 555
   Solar
   BLDC
   Entertainment Center
   GPS & WD-C2401P
Jacob's Ladder
Scripts
Math
Notes
My House
My Cars
My Cats
My Jokes
Pi Poetry
pumpkin
Toro Mower
Development
Linux
Speed of a Piston
Not a Pipe
















Disclaimer:The following are my notes. As I am learning electronics, I am making my notes available. I hope they will be of benefit. However, I do not guarantee the accuracy of my work. I recommend the reader exercise critical thinking.
Step 1

The following are my notes from my work with Ethernet and the PIC Microcontroller.
Step 1: Display the Current Temperature on the PIC18F4620

Display

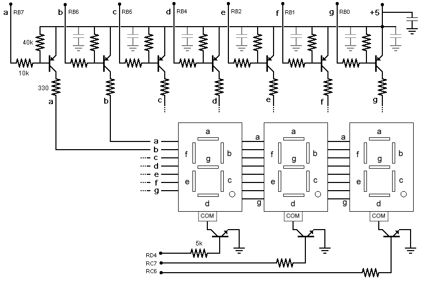
I bought three 7-Segment LED Displays from Radio Shack. These are "Common Cathode". A "Common Anode" version is much cheaper on-line from All Electronics. With three of these, I can display one octet of the IP address.

The display will show each octet for about 1 second and cycle through the four octets. This was also a good time to implement a multiplexed communication channel. The NPN transistor at the cathode will enable or disable the display unit. At any instance, only one 7-segment display would be active. The main program loop will cycle through the displays.

The function mike_update_display(int value) will assign a value to the display for values from 0 to 999. The function mike_refresh_display() cycles through the three leds. Each iteration of my main program loop executes mike_refresh_display().

I designated 7 pins of the Microcontroller for the 7 LED segments and one pin for each display. I added support for the decimal segment, but I don't use it with the microcontroller.

To minimize current flowing from the microcontroller, I interfaced the LED segments with a transistor. Using these transistors, the controller delivers only 0.5 mAmps to drive a segment of the display. Each segment would require 5 mAmps or more per segment if driven directly from the controller. The the common cathode transistor still triggers with 5 mAmp. I added a few capacitors to minimize noise. I may have gone a little overboard with the capacitors.

click to enlarge/reduce

Here is the code for the display:
led.h and led.c

Temperature Sensor

I order a few MCP97000 Temperature Sensors from Microchip. These are low power, linear and accurate. This device has three pins: one ground, one +5v and one output. Given the output voltage V in mVolts, the temperature in Celsius is (V-500)/10. I used a bypass capacitor to reduce noise.

In this code, I only need to enable ADC_CH0. The other channels were left over from previous projects.


  OpenADC( 
    ADC_FOSC_64 // Book page 98, max value for 20 MHz
    & ADC_RIGHT_JUST //Results in least significant bits
    & ADC_20_TAD, // collection time interval
    ADC_CH0 & ADC_CH1 & ADC_CH2 // CH0=AN0 (pin 2), CH1=AN1...
    & ADC_INT_OFF // not interrupts (use polling)
    & ADC_VREFPLUS_VDD // use +5 for reference voltage
    & ADC_VREFMINUS_VSS, // use 0 for reference
    12 // bits 0 through 3 of the ADCON1 register
  );

Wall Clock

Timer1 serves as a wall clock to signal the update of the display value. I used an 8 MHz oscillator along with the HSPLL option yielding a 32 MHz clock. With a 16 bit number we have 65536 values. The T1_PS_1_8 causes the timer to increment each 8 instruction cycles. An instruction cycle takes 4 clock cycles.

I used Timer1 since Timer0 is used by the Ethernet TCP/IP libraries. Timer1 allows a max post-scale of 1:8. I enabled interrupts for Timer1 so each overflow of Timer1 will execute a bit of code that will count the number of overflows (tmr1_count).

In previous work, I had to manually enable the interrupts. I'm not sure if this is still necessary


  OpenTimer1( 
    TIMER_INT_ON & 
    T1_SOURCE_INT &
    T1_16BIT_RW &
    T1_PS_1_8 &
    T1_OSC1EN_OFF &
    T1_SYNC_EXT_OFF
  );
      
  INTCON=0;  //make sure interrupts are disable
  INTCONbits.GIE=1;  //enable global interrupts
  INTCONbits.PEIE=1;  //enable peripheral interrupts
  PIE1bits.TMR1IE = 1;  //enable timer 1 interrupts

When the tmr1_count exceeds tmr1_trigger the tmr1_cycle_flag will be set. My main program loop examines this flag with each pass. This will trigger the update of the display value at about 1.3 second intervals.

8 MHz oscillator with HSPLL = 32 MHz
One instruction per 4 clock cycles = 8 MHz
Increment timer value each 8
instruction cycles (T1_PS_1_8)
= 1 MHz
65536 ticks at 1 MHz = 65,536 ticks / (1,000,000 ticks/second)
tmr1_trigger = 20 = (20 * 65,536 / 1,000,000) second
  = 1.3 second

void HighISR(void)
  {
    if (PIR1bits.TMR1IF)
      {
        tmr1_count++;
        if (tmr1_count >= tmr1_trigger)
          {
            // set the flag for the main program
            tmr1_cycle_flag = 1;  
            tmr1_count = 0;  // reset the counter 
          }
        PIR1bits.TMR1IF = 0;  // clear the interrupt
      }
  }

LED Display and Temperature

As a good test of this new chip, I attempted to show the current temperature on the new display. The main program is a loop. The temperature reading is divided into phases. This approach will work well with the cooperative multitasking used in the Ethernet processing. The display update is also done in phases. Each time through the loop, one of the three 7-segment display units is refreshed.

The following explains the temperation value derivation: The The Analog/Digital converter produces a value from 0 to 1023. This represents a scale for the 5 volt source. Let value represent the reading from the AD converter. The voltage is calculated by the expression 5*value/1023. Multiply this by 1000 to obtain the value in milivolts. We substitute this into the MCP 7900 conversion equation that maps voltage (in milivolts) to Celcius: C = (5000*value/1023 - 500)/10. Converting to Fahrenheit, we have F = (9/5)(5000*value/1023 - 500)/10 + 32. Simplify yields F = 900*value/1023 - 58. This is the equation I use to convert the AD value to Fahrenheit.

Here is the code for the main program and display: main.c, led.h and led.c

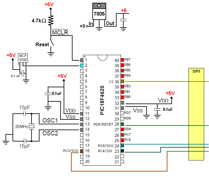
Here is the schematic for the Microcontroller. The display (shown above) is connected to pins RB7, RB6, RB5, RB4, RB2, RB1, RB0, RD4, RC7 and RC6. Later, the pins for the SPI bus will be used in the Ethernet connection.

click to enlarge/reduce

Here is the photo of my temperature display system showing 76 degrees F. Put your mouse over the LEDs, the PNP transistors or the temperature sensor for a close-up image.

PNP Transistor 7-Segment Display MCP 7900


Step 2: Add the Ethernet hardware and the TCP/IP server code.